Caso 1: Tratamiento de aguas residuales en el Parque Industrial
Proyecto: 1000 t/d
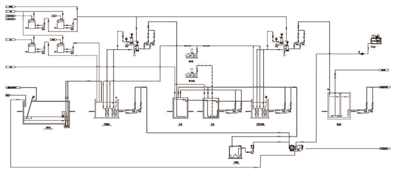
Proceso

Proyecto
Área de membrana 2600 REP, tamaño de la membrana: 250*6*1046mm, material de la membrana: Al2O3, tamaño de poro de la membrana: 100nm
Caso 2: Tratamiento de aguas residuales en la industria alimentaria
Proyecto: 200 t/d
Ubicación del proyecto: Guangdong
Agua de entrada:
Alto contenido de aceite, SS, iones de metales pesados, COD y BOD, nitrógeno, fósforo
Proyecto
Área de membrana 300 REP, tamaño de la membrana: 250*6*1046mm, material de la membrana: Al2O3, tamaño de poro de la membrana: 100nm